Product Introduction
2 advanced oxidation technology (AOT equipment) for domestic hot water disinfection and sterilization is a UV disinfector designed specifically for hot water systems. The application temperature range is 4~70℃. Its working principle is to use a special UV lamp to irradiate the nano-titanium dioxide coating to produce hydroxyl radicals. These free radicals can decompose bacteria, viruses and organic microorganisms in the water, especially for Legionella and other stubborn colonies.
The domestic hot water AOT ultraviolet photocatalytic oxidation technology is a domestic hot water AOT ultraviolet photocatalytic oxidation equipment jointly developed by Hebei Guanyu Environmental Protection Equipment Co., Ltd., the Ecological Environment Research Center of the Chinese Academy of Sciences, and Hebei University of Science and Technology.
Features
1. Fewer lamps are required and the electro-optical efficiency is high
It combines the advantages of low-pressure and medium-pressure lamps, providing cost and maintenance advantages with high cost performance.
2.Compact footprint
The optimized reactor design and modular lamp group can be installed in a very small space, thus achieving good economic benefits.
3.High efficiency nano-titanium dioxide coating
The special coating structure design and production formula make the photocatalytic efficiency higher. At the same time, the coating has a strong bonding with the substrate, strong anti-fouling ability and a longer service life.
4.Advanced control system
An intelligent and flexible control system that optimizes power consumption while ensuring UV dose and target pollutant treatment meet treatment requirements.
5.Using critical control points can demonstrate system performance
Control system monitoring, providing trend lines and data output for all regulatory requirements including UV dose and contaminant reduction.
Notes: above dimension is equipment length plus width, height and accessory equipment dimension can custom-make according to practical situation, other parameter are in line with actual product.Guanyu UV sterilizer labeled with GYA is auto cleaning style, GYM is manual cleaning style, GYC means common style, GYF means frame (open channel) style.
AOT equipment disinfection principle
The first step is to generate hydroxyl radicals
The AOT device adopts photocatalytic advanced oxidation technology, using a specific ultraviolet light source to excite the photocatalyst to produce hydroxyl free radicals with extremely strong oxidizing properties.
The second step is complete oxidation and decomposition into CO 2 and H 2 O
Hydroxyl free radicals directly damage cell membranes, quickly destroy cell tissues, and quickly decompose bacteria, viruses, microorganisms, organic matter, etc. in water into CO2 and H2O , making microbial cells lose the ability to revive and reproduce, thereby achieving the purpose of completely decomposing bacteria, viruses, microorganisms, organic matter, etc. in water.
Product Advantages
1. Mature and leading titanium dioxide coating sintering technology
The coating technology of Guanyu's AOT equipment was jointly developed with the Eco-Environmental Research Center of the Chinese Academy of Sciences. It has many invention patents. The core of the AOT equipment is the nano-titanium dioxide coating. The quality of the coating directly determines the amount of hydroxyl free radicals produced, and thus directly determines the sterilization and disinfection effect of the equipment. Guanyu's unique titanium dioxide coating sintering technology makes the coating not easy to fall off, the amount of hydroxyl free radicals produced is large, and the sterilization and disinfection is more thorough.
2. Small diameter, multi-channel design
The life span of hydroxyl radicals is short, only a few seconds, and even lower in hot water environment. The maximum movement distance is only a few centimeters. Therefore, Guanyu equipment adopts a small diameter, multi-channel design to maximize the utilization of hydroxyl free radicals. At the same time, the design of this equipment structure increases the contact area between ultraviolet rays and nano-iron oxide, greatly increasing the generation of hydroxyl free radicals.
3. The equipment has a compact structure and is installed in a skid-mounted manner
The skid-mounted equipment requires less work during on-site installation. It can be put into operation after only the interface pipes and external electrical connections are completed. Since its functional components are integrated into an integral base, it can be easily moved as a whole to adapt to different usage scenarios. In addition, the skid-mounted equipment has a compact structure and a small footprint, which reduces the footprint compared to traditional installation methods and improves space utilization.
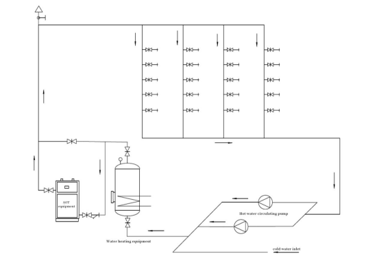
Application process of AOT equipment in the field of domestic hot water

Technical Parameters
|
Product Model |
Processed water volume m³/H |
caliber |
Total Power |
Single power |
Number of
lamps |
| GY-AOT-5-DN25 | 1-5 | DN25 | 130W | 65W | 2 |
| GY-AOT-10-DN40 | 6-10 | DN40 | 195W | 65W | 3 |
| GY-AOT-15-DN50 | 6-15 | DN50 | 260W | 65W | 4 |
| GY-AOT-20-DN80 | 16-20 | DN80 | 344W | 172W | 2 |
| GY-AOT-30-DN100 | 21-30 | DN100 | 516W | 172W | 3 |
| GY-AOT-40-DN100 | 31-40 | DN100 | 621W | 207W | 3 |
| GY-AOT-50-DN150 | 40-50 | DN150 | 688W | 172W | 4 |
| GY-AOT-60-DN150 | 50-60 | DN150 | 828W | 207W | 4 |
| GY-AOT-80-DN150 | 60-80 | DN150 | 1035W | 207W | 5 |
| GY-AOT-100-DN150 | 80-100 | DN150 | 1242W | 207W | 6 |
| GY-AOT-120-DN150 | 100-120 | DN150 | 1449W | 207W | 7 |
| GY-AOT-150-DN200 | 120-150 | DN200 | 1656W | 207W | 8 |
| GY-AOT-200-DN200 | 150-200 | DN200 | 2070W | 207W | 10 |
| GY-AOT-250-DN200 | 200-250 | DN200 | 2484W | 207W | 12 |
| GY-AOT-300-DN250 | 250-300 | DN250 | 2898W | 207W | 14 |



